2019年,工业产业基础能力和产业链水平大幅度提升。创新驱动取得显著成效,国家制造业创新中心建设稳步推进,新建了先进轨道交通装备、农机装备、智能网联汽车、先进功能材料等4家国家制造业创新中心。
全年规模以上工业增加值增长5.7%,电信业务总量增长18.5%,软件和信息技术服务业收入增长15.4%。
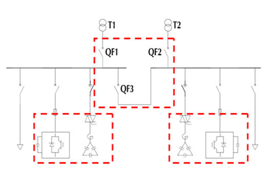
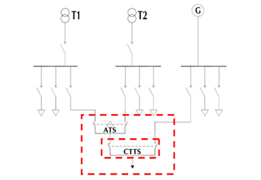
保持设备长期处于正常、效率高的工作状态,确保配电系统中的重要负荷稳定运行。
配电设备数量众多,维护检修会造成系统断电,设备应该满足快速维护和替换的要求
跟进系统要求提升产品性能,减少工程建设成本,降低系统使用的运营成本,延长使用年限
数据中心能耗成本超过运营成本的50%,降低设备自身能耗,打造绿色数据中心将是未来趋势
平台信息提交-隐私协议
· 隐私政策
暂无内容
E-MAIL:sales@nsdelectric.cn
中国总部:中国上海普陀区交通路4711号李子园大厦3B01-3B02
制造基地:中国江苏省常熟市高新技术产业园阳光大道58号